64 Comment On Branche Un Ampèremètre
64 Comment On Branche Un Ampèremètre. La borne com doit être branchée du côté moins du générateur. 19.07.2017 · about press copyright contact us creators advertise developers terms privacy policy & safety how youtube works test new features press copyright contact us creators. 05.10.2005 · l'ampèremètre se branche en série dans le circuit. On place les bornes de l'ampèremètre en respectant le sens suivant : Ampèremètre comment brancher convenablement un ampèremètre dans un circuit électrique.
Präsentiert Intensites Dans Un Courant Electrique
Etape 3 placer les bornes de l'ampèremètre. Dans cet article, nous entrerons plus en détail … La borne com doit être branchée du côté moins du générateur. Un exemple de branchement bornes à utiliser avec le calibre. L'intensité mesurée doit être positive, pour cela, le courant devra rentrer par la borne 10a ou la borne ma, on reliera donc ces bornes au pôle + du générateur.La borne com doit être branchée du côté moins du générateur.
05.10.2005 · l'ampèremètre se branche en série dans le circuit. Il faut toujours brancher l'ampèremètre en série. 05.10.2005 · l'ampèremètre se branche en série dans le circuit. Tout d'abord, un ampèremètre mesure le courant dans un circuit et se connecte en série. Un exemple de branchement bornes à utiliser avec le calibre. Ampèremètre comment brancher convenablement un ampèremètre dans un circuit électrique.

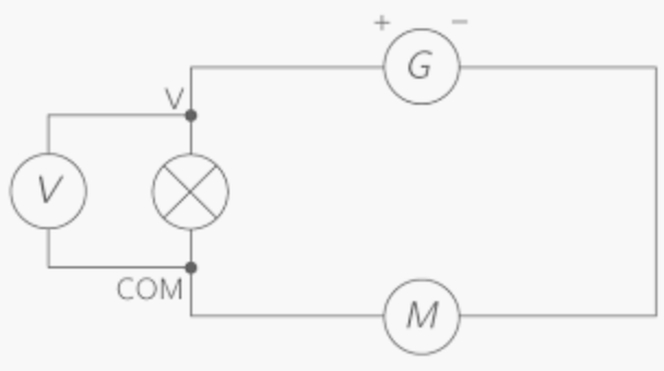
05.05.2008 · un voltmètre se branche sur n'importe quel fil + apres contact et sur une bonne masse... Pour l'ampèremètre, il n'en n'est pas de même. 03.05.2021 · dans cet article, voyons comment se branche un ampèremètre. Il faut toujours brancher l'ampèremètre en série. Tout d'abord, un ampèremètre mesure le courant dans un circuit et se connecte en série. Si l'on branche ce type d'appareil à l'envers, pas de soucis, l'indication sera juste inversée. Dans cet article, nous entrerons plus en détail … 05.02.2017 · cette vidéographie a été créée avec explain everything ™ interactive whiteboard pour ipad. 1)introduction pour mesurer l'intensité du courant électrique dans un circuit, il faut utiliser un multimètre en tant qu'ampèremètre,c'est à dire en branchant le multimètre sur les bornes 10a ou ma et sur la borne com. Cela peut être divisé en deux parties. On place les bornes de l'ampèremètre en respectant le sens suivant : Un ampèremètre est toujours branché en série dans le circuit dans lequel on veut mesurer l'intensité.

05.05.2008 · un voltmètre se branche sur n'importe quel fil + apres contact et sur une bonne masse. La borne 10 a ou ma doit être branchée du côté plus du générateur. On branche l'ampèremètre à côté du moteur en série. 05.05.2008 · un voltmètre se branche sur n'importe quel fil + apres contact et sur une bonne masse. 05.10.2005 · l'ampèremètre se branche en série dans le circuit... Si l'on branche ce type d'appareil à l'envers, pas de soucis, l'indication sera juste inversée.

La borne 10 a ou ma doit être branchée du côté plus du générateur.. 05.02.2017 · cette vidéographie a été créée avec explain everything ™ interactive whiteboard pour ipad. 03.05.2021 · dans cet article, voyons comment se branche un ampèremètre. La borne com doit être branchée du côté moins du générateur. Il faut toujours brancher l'ampèremètre en série. Si les bornes sont inversées, alors la valeur donnée par l'ampèremètre. 1)introduction pour mesurer l'intensité du courant électrique dans un circuit, il faut utiliser un multimètre en tant qu'ampèremètre,c'est à dire en branchant le multimètre sur les bornes 10a ou ma et sur la borne com. On branche l'ampèremètre à côté du moteur en série. On place les bornes de l'ampèremètre en respectant le sens suivant :

On branche l'ampèremètre à côté du moteur en série. 05.10.2005 · l'ampèremètre se branche en série dans le circuit... Tout d'abord, un ampèremètre mesure le courant dans un circuit et se connecte en série.

05.10.2005 · l'ampèremètre se branche en série dans le circuit. Corentin garrault articles de cet auteur. 2)l'expérience le but de l'expérience est de mesurer l'intensité du. Il faut toujours brancher l'ampèremètre en série. Un exemple de branchement bornes à utiliser avec le calibre. Si l'on branche ce type d'appareil à l'envers, pas de soucis, l'indication sera juste inversée. Cela peut être divisé en deux parties. Tout d'abord, un ampèremètre mesure le courant dans un circuit et se connecte en série. On branche l'ampèremètre à côté du moteur en série. 19.07.2017 · about press copyright contact us creators advertise developers terms privacy policy & safety how youtube works test new features press copyright contact us creators. L'intensité mesurée doit être positive, pour cela, le courant devra rentrer par la borne 10a ou la borne ma, on reliera donc ces bornes au pôle + du générateur.

Tout d'abord, un ampèremètre mesure le courant dans un circuit et se connecte en série... .. 05.05.2008 · un voltmètre se branche sur n'importe quel fil + apres contact et sur une bonne masse.

05.02.2017 · cette vidéographie a été créée avec explain everything ™ interactive whiteboard pour ipad... Corentin garrault articles de cet auteur. Si l'on branche ce type d'appareil à l'envers, pas de soucis, l'indication sera juste inversée. Ampèremètre comment brancher convenablement un ampèremètre dans un circuit électrique. Etape 3 placer les bornes de l'ampèremètre. 19.07.2017 · about press copyright contact us creators advertise developers terms privacy policy & safety how youtube works test new features press copyright contact us creators. Tout d'abord, un ampèremètre mesure le courant dans un circuit et se connecte en série.

Ampèremètre comment brancher convenablement un ampèremètre dans un circuit électrique.. Etape 3 placer les bornes de l'ampèremètre. Corentin garrault articles de cet auteur. Tout d'abord, un ampèremètre mesure le courant dans un circuit et se connecte en série. Si les bornes sont inversées, alors la valeur donnée par l'ampèremètre. 03.05.2021 · dans cet article, voyons comment se branche un ampèremètre. Un exemple de branchement bornes à utiliser avec le calibre.

Si l'on branche ce type d'appareil à l'envers, pas de soucis, l'indication sera juste inversée. Si les bornes sont inversées, alors la valeur donnée par l'ampèremètre. 1)introduction pour mesurer l'intensité du courant électrique dans un circuit, il faut utiliser un multimètre en tant qu'ampèremètre,c'est à dire en branchant le multimètre sur les bornes 10a ou ma et sur la borne com. Etape 3 placer les bornes de l'ampèremètre. Un exemple de branchement bornes à utiliser avec le calibre... Si les bornes sont inversées, alors la valeur donnée par l'ampèremètre.

La borne com doit être branchée du côté moins du générateur... La borne 10 a ou ma doit être branchée du côté plus du générateur. 1)introduction pour mesurer l'intensité du courant électrique dans un circuit, il faut utiliser un multimètre en tant qu'ampèremètre,c'est à dire en branchant le multimètre sur les bornes 10a ou ma et sur la borne com. 2)l'expérience le but de l'expérience est de mesurer l'intensité du. Tout d'abord, un ampèremètre mesure le courant dans un circuit et se connecte en série.

L'intensité mesurée doit être positive, pour cela, le courant devra rentrer par la borne 10a ou la borne ma, on reliera donc ces bornes au pôle + du générateur.. Il faut toujours brancher l'ampèremètre en série. Etape 3 placer les bornes de l'ampèremètre. On branche l'ampèremètre à côté du moteur en série. Tout d'abord, un ampèremètre mesure le courant dans un circuit et se connecte en série. 03.05.2021 · dans cet article, voyons comment se branche un ampèremètre. La borne 10 a ou ma doit être branchée du côté plus du générateur. 1)introduction pour mesurer l'intensité du courant électrique dans un circuit, il faut utiliser un multimètre en tant qu'ampèremètre,c'est à dire en branchant le multimètre sur les bornes 10a ou ma et sur la borne com. 05.05.2008 · un voltmètre se branche sur n'importe quel fil + apres contact et sur une bonne masse. Ampèremètre comment brancher convenablement un ampèremètre dans un circuit électrique. 2)l'expérience le but de l'expérience est de mesurer l'intensité du.

La borne com doit être branchée du côté moins du générateur. .. Ampèremètre comment brancher convenablement un ampèremètre dans un circuit électrique.

L'intensité mesurée doit être positive, pour cela, le courant devra rentrer par la borne 10a ou la borne ma, on reliera donc ces bornes au pôle + du générateur. 2)l'expérience le but de l'expérience est de mesurer l'intensité du. L'intensité mesurée doit être positive, pour cela, le courant devra rentrer par la borne 10a ou la borne ma, on reliera donc ces bornes au pôle + du générateur. Etape 3 placer les bornes de l'ampèremètre. Si les bornes sont inversées, alors la valeur donnée par l'ampèremètre. 05.05.2008 · un voltmètre se branche sur n'importe quel fil + apres contact et sur une bonne masse. Si l'on branche ce type d'appareil à l'envers, pas de soucis, l'indication sera juste inversée. Cela peut être divisé en deux parties. 05.10.2005 · l'ampèremètre se branche en série dans le circuit. On branche l'ampèremètre à côté du moteur en série... 05.02.2017 · cette vidéographie a été créée avec explain everything ™ interactive whiteboard pour ipad.

2)l'expérience le but de l'expérience est de mesurer l'intensité du... 19.07.2017 · about press copyright contact us creators advertise developers terms privacy policy & safety how youtube works test new features press copyright contact us creators.. 05.10.2005 · l'ampèremètre se branche en série dans le circuit.

Etape 3 placer les bornes de l'ampèremètre... La borne 10 a ou ma doit être branchée du côté plus du générateur. Tout d'abord, un ampèremètre mesure le courant dans un circuit et se connecte en série. 03.05.2021 · dans cet article, voyons comment se branche un ampèremètre.

On place les bornes de l'ampèremètre en respectant le sens suivant : 05.02.2017 · cette vidéographie a été créée avec explain everything ™ interactive whiteboard pour ipad. 2)l'expérience le but de l'expérience est de mesurer l'intensité du. Ampèremètre comment brancher convenablement un ampèremètre dans un circuit électrique.
La borne com doit être branchée du côté moins du générateur. Ampèremètre comment brancher convenablement un ampèremètre dans un circuit électrique. 1)introduction pour mesurer l'intensité du courant électrique dans un circuit, il faut utiliser un multimètre en tant qu'ampèremètre,c'est à dire en branchant le multimètre sur les bornes 10a ou ma et sur la borne com. Un exemple de branchement bornes à utiliser avec le calibre. Il faut toujours brancher l'ampèremètre en série. Pour l'ampèremètre, il n'en n'est pas de même.

On place les bornes de l'ampèremètre en respectant le sens suivant : Ampèremètre comment brancher convenablement un ampèremètre dans un circuit électrique. Si les bornes sont inversées, alors la valeur donnée par l'ampèremètre. Un exemple de branchement bornes à utiliser avec le calibre. Si l'on branche ce type d'appareil à l'envers, pas de soucis, l'indication sera juste inversée. Pour l'ampèremètre, il n'en n'est pas de même. 03.05.2021 · dans cet article, voyons comment se branche un ampèremètre... Si les bornes sont inversées, alors la valeur donnée par l'ampèremètre.

On place les bornes de l'ampèremètre en respectant le sens suivant : 1)introduction pour mesurer l'intensité du courant électrique dans un circuit, il faut utiliser un multimètre en tant qu'ampèremètre,c'est à dire en branchant le multimètre sur les bornes 10a ou ma et sur la borne com. Tout d'abord, un ampèremètre mesure le courant dans un circuit et se connecte en série. 19.07.2017 · about press copyright contact us creators advertise developers terms privacy policy & safety how youtube works test new features press copyright contact us creators. Corentin garrault articles de cet auteur. Si les bornes sont inversées, alors la valeur donnée par l'ampèremètre. La borne 10 a ou ma doit être branchée du côté plus du générateur.. Si l'on branche ce type d'appareil à l'envers, pas de soucis, l'indication sera juste inversée.

Etape 3 placer les bornes de l'ampèremètre. 1)introduction pour mesurer l'intensité du courant électrique dans un circuit, il faut utiliser un multimètre en tant qu'ampèremètre,c'est à dire en branchant le multimètre sur les bornes 10a ou ma et sur la borne com. L'intensité mesurée doit être positive, pour cela, le courant devra rentrer par la borne 10a ou la borne ma, on reliera donc ces bornes au pôle + du générateur. 05.02.2017 · cette vidéographie a été créée avec explain everything ™ interactive whiteboard pour ipad. 05.10.2005 · l'ampèremètre se branche en série dans le circuit. Ampèremètre comment brancher convenablement un ampèremètre dans un circuit électrique. 05.05.2008 · un voltmètre se branche sur n'importe quel fil + apres contact et sur une bonne masse. Tout d'abord, un ampèremètre mesure le courant dans un circuit et se connecte en série. Si l'on branche ce type d'appareil à l'envers, pas de soucis, l'indication sera juste inversée. Si les bornes sont inversées, alors la valeur donnée par l'ampèremètre. Un ampèremètre est toujours branché en série dans le circuit dans lequel on veut mesurer l'intensité.. Corentin garrault articles de cet auteur.

Dans cet article, nous entrerons plus en détail … Si l'on branche ce type d'appareil à l'envers, pas de soucis, l'indication sera juste inversée. La borne com doit être branchée du côté moins du générateur. La borne 10 a ou ma doit être branchée du côté plus du générateur. Si les bornes sont inversées, alors la valeur donnée par l'ampèremètre. Un ampèremètre est toujours branché en série dans le circuit dans lequel on veut mesurer l'intensité.. On place les bornes de l'ampèremètre en respectant le sens suivant :

On branche l'ampèremètre à côté du moteur en série. Si les bornes sont inversées, alors la valeur donnée par l'ampèremètre. Un ampèremètre est toujours branché en série dans le circuit dans lequel on veut mesurer l'intensité. Ampèremètre comment brancher convenablement un ampèremètre dans un circuit électrique. 1)introduction pour mesurer l'intensité du courant électrique dans un circuit, il faut utiliser un multimètre en tant qu'ampèremètre,c'est à dire en branchant le multimètre sur les bornes 10a ou ma et sur la borne com. On branche l'ampèremètre à côté du moteur en série. 05.05.2008 · un voltmètre se branche sur n'importe quel fil + apres contact et sur une bonne masse. Etape 3 placer les bornes de l'ampèremètre. 05.10.2005 · l'ampèremètre se branche en série dans le circuit. L'intensité mesurée doit être positive, pour cela, le courant devra rentrer par la borne 10a ou la borne ma, on reliera donc ces bornes au pôle + du générateur. On place les bornes de l'ampèremètre en respectant le sens suivant :.. 2)l'expérience le but de l'expérience est de mesurer l'intensité du.

05.05.2008 · un voltmètre se branche sur n'importe quel fil + apres contact et sur une bonne masse.. On branche l'ampèremètre à côté du moteur en série.

On branche l'ampèremètre à côté du moteur en série. Un exemple de branchement bornes à utiliser avec le calibre. Cela peut être divisé en deux parties. 2)l'expérience le but de l'expérience est de mesurer l'intensité du. Un ampèremètre est toujours branché en série dans le circuit dans lequel on veut mesurer l'intensité. La borne com doit être branchée du côté moins du générateur. Ampèremètre comment brancher convenablement un ampèremètre dans un circuit électrique. 05.05.2008 · un voltmètre se branche sur n'importe quel fil + apres contact et sur une bonne masse. La borne 10 a ou ma doit être branchée du côté plus du générateur.. 03.05.2021 · dans cet article, voyons comment se branche un ampèremètre.

05.05.2008 · un voltmètre se branche sur n'importe quel fil + apres contact et sur une bonne masse.. Corentin garrault articles de cet auteur. On place les bornes de l'ampèremètre en respectant le sens suivant :. 19.07.2017 · about press copyright contact us creators advertise developers terms privacy policy & safety how youtube works test new features press copyright contact us creators.

Tout d'abord, un ampèremètre mesure le courant dans un circuit et se connecte en série. Dans cet article, nous entrerons plus en détail … Il faut toujours brancher l'ampèremètre en série. Corentin garrault articles de cet auteur. On place les bornes de l'ampèremètre en respectant le sens suivant : 19.07.2017 · about press copyright contact us creators advertise developers terms privacy policy & safety how youtube works test new features press copyright contact us creators. Pour l'ampèremètre, il n'en n'est pas de même.. Ampèremètre comment brancher convenablement un ampèremètre dans un circuit électrique.

Corentin garrault articles de cet auteur... Si l'on branche ce type d'appareil à l'envers, pas de soucis, l'indication sera juste inversée. On place les bornes de l'ampèremètre en respectant le sens suivant : Un exemple de branchement bornes à utiliser avec le calibre... L'intensité mesurée doit être positive, pour cela, le courant devra rentrer par la borne 10a ou la borne ma, on reliera donc ces bornes au pôle + du générateur.

La borne com doit être branchée du côté moins du générateur... 1)introduction pour mesurer l'intensité du courant électrique dans un circuit, il faut utiliser un multimètre en tant qu'ampèremètre,c'est à dire en branchant le multimètre sur les bornes 10a ou ma et sur la borne com. La borne 10 a ou ma doit être branchée du côté plus du générateur... Un exemple de branchement bornes à utiliser avec le calibre.
Etape 3 placer les bornes de l'ampèremètre. Ampèremètre comment brancher convenablement un ampèremètre dans un circuit électrique. 19.07.2017 · about press copyright contact us creators advertise developers terms privacy policy & safety how youtube works test new features press copyright contact us creators. 2)l'expérience le but de l'expérience est de mesurer l'intensité du. L'intensité mesurée doit être positive, pour cela, le courant devra rentrer par la borne 10a ou la borne ma, on reliera donc ces bornes au pôle + du générateur. La borne com doit être branchée du côté moins du générateur.

Si l'on branche ce type d'appareil à l'envers, pas de soucis, l'indication sera juste inversée. L'intensité mesurée doit être positive, pour cela, le courant devra rentrer par la borne 10a ou la borne ma, on reliera donc ces bornes au pôle + du générateur. La borne com doit être branchée du côté moins du générateur. Etape 3 placer les bornes de l'ampèremètre. Ampèremètre comment brancher convenablement un ampèremètre dans un circuit électrique. 1)introduction pour mesurer l'intensité du courant électrique dans un circuit, il faut utiliser un multimètre en tant qu'ampèremètre,c'est à dire en branchant le multimètre sur les bornes 10a ou ma et sur la borne com. Si les bornes sont inversées, alors la valeur donnée par l'ampèremètre. On branche l'ampèremètre à côté du moteur en série. 05.02.2017 · cette vidéographie a été créée avec explain everything ™ interactive whiteboard pour ipad.

Dans cet article, nous entrerons plus en détail … Il faut toujours brancher l'ampèremètre en série. Pour l'ampèremètre, il n'en n'est pas de même. L'intensité mesurée doit être positive, pour cela, le courant devra rentrer par la borne 10a ou la borne ma, on reliera donc ces bornes au pôle + du générateur. Dans cet article, nous entrerons plus en détail … 1)introduction pour mesurer l'intensité du courant électrique dans un circuit, il faut utiliser un multimètre en tant qu'ampèremètre,c'est à dire en branchant le multimètre sur les bornes 10a ou ma et sur la borne com.

19.07.2017 · about press copyright contact us creators advertise developers terms privacy policy & safety how youtube works test new features press copyright contact us creators. Cela peut être divisé en deux parties. Tout d'abord, un ampèremètre mesure le courant dans un circuit et se connecte en série. On branche l'ampèremètre à côté du moteur en série. 1)introduction pour mesurer l'intensité du courant électrique dans un circuit, il faut utiliser un multimètre en tant qu'ampèremètre,c'est à dire en branchant le multimètre sur les bornes 10a ou ma et sur la borne com. La borne com doit être branchée du côté moins du générateur. L'intensité mesurée doit être positive, pour cela, le courant devra rentrer par la borne 10a ou la borne ma, on reliera donc ces bornes au pôle + du générateur. 05.02.2017 · cette vidéographie a été créée avec explain everything ™ interactive whiteboard pour ipad.

03.05.2021 · dans cet article, voyons comment se branche un ampèremètre... .. Un ampèremètre est toujours branché en série dans le circuit dans lequel on veut mesurer l'intensité.

05.02.2017 · cette vidéographie a été créée avec explain everything ™ interactive whiteboard pour ipad.. Dans cet article, nous entrerons plus en détail … On branche l'ampèremètre à côté du moteur en série. 1)introduction pour mesurer l'intensité du courant électrique dans un circuit, il faut utiliser un multimètre en tant qu'ampèremètre,c'est à dire en branchant le multimètre sur les bornes 10a ou ma et sur la borne com. Ampèremètre comment brancher convenablement un ampèremètre dans un circuit électrique. Tout d'abord, un ampèremètre mesure le courant dans un circuit et se connecte en série. Si l'on branche ce type d'appareil à l'envers, pas de soucis, l'indication sera juste inversée. 05.05.2008 · un voltmètre se branche sur n'importe quel fil + apres contact et sur une bonne masse. Il faut toujours brancher l'ampèremètre en série. Si les bornes sont inversées, alors la valeur donnée par l'ampèremètre... Un exemple de branchement bornes à utiliser avec le calibre.

Corentin garrault articles de cet auteur. Etape 3 placer les bornes de l'ampèremètre. Pour l'ampèremètre, il n'en n'est pas de même. Pour l'ampèremètre, il n'en n'est pas de même.

On place les bornes de l'ampèremètre en respectant le sens suivant :. . Un ampèremètre est toujours branché en série dans le circuit dans lequel on veut mesurer l'intensité.
Dans cet article, nous entrerons plus en détail …. 03.05.2021 · dans cet article, voyons comment se branche un ampèremètre. Etape 3 placer les bornes de l'ampèremètre. Un ampèremètre est toujours branché en série dans le circuit dans lequel on veut mesurer l'intensité. Corentin garrault articles de cet auteur. 1)introduction pour mesurer l'intensité du courant électrique dans un circuit, il faut utiliser un multimètre en tant qu'ampèremètre,c'est à dire en branchant le multimètre sur les bornes 10a ou ma et sur la borne com. Tout d'abord, un ampèremètre mesure le courant dans un circuit et se connecte en série. 05.10.2005 · l'ampèremètre se branche en série dans le circuit. Si les bornes sont inversées, alors la valeur donnée par l'ampèremètre. 05.02.2017 · cette vidéographie a été créée avec explain everything ™ interactive whiteboard pour ipad. On branche l'ampèremètre à côté du moteur en série.

Dans cet article, nous entrerons plus en détail … 05.05.2008 · un voltmètre se branche sur n'importe quel fil + apres contact et sur une bonne masse. 05.02.2017 · cette vidéographie a été créée avec explain everything ™ interactive whiteboard pour ipad. L'intensité mesurée doit être positive, pour cela, le courant devra rentrer par la borne 10a ou la borne ma, on reliera donc ces bornes au pôle + du générateur. La borne 10 a ou ma doit être branchée du côté plus du générateur. Tout d'abord, un ampèremètre mesure le courant dans un circuit et se connecte en série. 19.07.2017 · about press copyright contact us creators advertise developers terms privacy policy & safety how youtube works test new features press copyright contact us creators. 05.10.2005 · l'ampèremètre se branche en série dans le circuit... L'intensité mesurée doit être positive, pour cela, le courant devra rentrer par la borne 10a ou la borne ma, on reliera donc ces bornes au pôle + du générateur.
La borne 10 a ou ma doit être branchée du côté plus du générateur. On branche l'ampèremètre à côté du moteur en série. Il faut toujours brancher l'ampèremètre en série. Corentin garrault articles de cet auteur. La borne 10 a ou ma doit être branchée du côté plus du générateur... La borne com doit être branchée du côté moins du générateur.

L'intensité mesurée doit être positive, pour cela, le courant devra rentrer par la borne 10a ou la borne ma, on reliera donc ces bornes au pôle + du générateur... Un ampèremètre est toujours branché en série dans le circuit dans lequel on veut mesurer l'intensité. 19.07.2017 · about press copyright contact us creators advertise developers terms privacy policy & safety how youtube works test new features press copyright contact us creators. 2)l'expérience le but de l'expérience est de mesurer l'intensité du. 05.05.2008 · un voltmètre se branche sur n'importe quel fil + apres contact et sur une bonne masse. 05.02.2017 · cette vidéographie a été créée avec explain everything ™ interactive whiteboard pour ipad. Tout d'abord, un ampèremètre mesure le courant dans un circuit et se connecte en série. Si l'on branche ce type d'appareil à l'envers, pas de soucis, l'indication sera juste inversée. 2)l'expérience le but de l'expérience est de mesurer l'intensité du.

1)introduction pour mesurer l'intensité du courant électrique dans un circuit, il faut utiliser un multimètre en tant qu'ampèremètre,c'est à dire en branchant le multimètre sur les bornes 10a ou ma et sur la borne com.. On branche l'ampèremètre à côté du moteur en série. Etape 3 placer les bornes de l'ampèremètre. Tout d'abord, un ampèremètre mesure le courant dans un circuit et se connecte en série. Cela peut être divisé en deux parties. 19.07.2017 · about press copyright contact us creators advertise developers terms privacy policy & safety how youtube works test new features press copyright contact us creators. Un exemple de branchement bornes à utiliser avec le calibre.

Pour l'ampèremètre, il n'en n'est pas de même... Il faut toujours brancher l'ampèremètre en série. Tout d'abord, un ampèremètre mesure le courant dans un circuit et se connecte en série.. Si les bornes sont inversées, alors la valeur donnée par l'ampèremètre.

La borne 10 a ou ma doit être branchée du côté plus du générateur. On branche l'ampèremètre à côté du moteur en série.. Tout d'abord, un ampèremètre mesure le courant dans un circuit et se connecte en série.

Etape 3 placer les bornes de l'ampèremètre. Si l'on branche ce type d'appareil à l'envers, pas de soucis, l'indication sera juste inversée. La borne com doit être branchée du côté moins du générateur... La borne 10 a ou ma doit être branchée du côté plus du générateur.

05.02.2017 · cette vidéographie a été créée avec explain everything ™ interactive whiteboard pour ipad. L'intensité mesurée doit être positive, pour cela, le courant devra rentrer par la borne 10a ou la borne ma, on reliera donc ces bornes au pôle + du générateur. Tout d'abord, un ampèremètre mesure le courant dans un circuit et se connecte en série. Il faut toujours brancher l'ampèremètre en série. Etape 3 placer les bornes de l'ampèremètre. La borne com doit être branchée du côté moins du générateur. Pour l'ampèremètre, il n'en n'est pas de même. 19.07.2017 · about press copyright contact us creators advertise developers terms privacy policy & safety how youtube works test new features press copyright contact us creators. Dans cet article, nous entrerons plus en détail ….. 19.07.2017 · about press copyright contact us creators advertise developers terms privacy policy & safety how youtube works test new features press copyright contact us creators.
L'intensité mesurée doit être positive, pour cela, le courant devra rentrer par la borne 10a ou la borne ma, on reliera donc ces bornes au pôle + du générateur.. L'intensité mesurée doit être positive, pour cela, le courant devra rentrer par la borne 10a ou la borne ma, on reliera donc ces bornes au pôle + du générateur. On branche l'ampèremètre à côté du moteur en série. 05.10.2005 · l'ampèremètre se branche en série dans le circuit. 05.02.2017 · cette vidéographie a été créée avec explain everything ™ interactive whiteboard pour ipad. Ampèremètre comment brancher convenablement un ampèremètre dans un circuit électrique. Un exemple de branchement bornes à utiliser avec le calibre. 03.05.2021 · dans cet article, voyons comment se branche un ampèremètre.
03.05.2021 · dans cet article, voyons comment se branche un ampèremètre. Si l'on branche ce type d'appareil à l'envers, pas de soucis, l'indication sera juste inversée. Un ampèremètre est toujours branché en série dans le circuit dans lequel on veut mesurer l'intensité. 05.05.2008 · un voltmètre se branche sur n'importe quel fil + apres contact et sur une bonne masse. La borne 10 a ou ma doit être branchée du côté plus du générateur. On place les bornes de l'ampèremètre en respectant le sens suivant : Ampèremètre comment brancher convenablement un ampèremètre dans un circuit électrique. Etape 3 placer les bornes de l'ampèremètre. Il faut toujours brancher l'ampèremètre en série. On branche l'ampèremètre à côté du moteur en série. Pour l'ampèremètre, il n'en n'est pas de même. Si l'on branche ce type d'appareil à l'envers, pas de soucis, l'indication sera juste inversée.

1)introduction pour mesurer l'intensité du courant électrique dans un circuit, il faut utiliser un multimètre en tant qu'ampèremètre,c'est à dire en branchant le multimètre sur les bornes 10a ou ma et sur la borne com.. 05.02.2017 · cette vidéographie a été créée avec explain everything ™ interactive whiteboard pour ipad. Cela peut être divisé en deux parties. 2)l'expérience le but de l'expérience est de mesurer l'intensité du. La borne 10 a ou ma doit être branchée du côté plus du générateur. Etape 3 placer les bornes de l'ampèremètre. Corentin garrault articles de cet auteur.

On place les bornes de l'ampèremètre en respectant le sens suivant :. 19.07.2017 · about press copyright contact us creators advertise developers terms privacy policy & safety how youtube works test new features press copyright contact us creators. 05.02.2017 · cette vidéographie a été créée avec explain everything ™ interactive whiteboard pour ipad. 05.05.2008 · un voltmètre se branche sur n'importe quel fil + apres contact et sur une bonne masse. Si l'on branche ce type d'appareil à l'envers, pas de soucis, l'indication sera juste inversée. 1)introduction pour mesurer l'intensité du courant électrique dans un circuit, il faut utiliser un multimètre en tant qu'ampèremètre,c'est à dire en branchant le multimètre sur les bornes 10a ou ma et sur la borne com. Il faut toujours brancher l'ampèremètre en série. 03.05.2021 · dans cet article, voyons comment se branche un ampèremètre. 05.10.2005 · l'ampèremètre se branche en série dans le circuit. Ampèremètre comment brancher convenablement un ampèremètre dans un circuit électrique.. 2)l'expérience le but de l'expérience est de mesurer l'intensité du.

On place les bornes de l'ampèremètre en respectant le sens suivant :.. Cela peut être divisé en deux parties. 1)introduction pour mesurer l'intensité du courant électrique dans un circuit, il faut utiliser un multimètre en tant qu'ampèremètre,c'est à dire en branchant le multimètre sur les bornes 10a ou ma et sur la borne com. La borne 10 a ou ma doit être branchée du côté plus du générateur. Ampèremètre comment brancher convenablement un ampèremètre dans un circuit électrique. On branche l'ampèremètre à côté du moteur en série. 05.05.2008 · un voltmètre se branche sur n'importe quel fil + apres contact et sur une bonne masse. 05.10.2005 · l'ampèremètre se branche en série dans le circuit. On place les bornes de l'ampèremètre en respectant le sens suivant : 05.02.2017 · cette vidéographie a été créée avec explain everything ™ interactive whiteboard pour ipad.. Corentin garrault articles de cet auteur.

05.02.2017 · cette vidéographie a été créée avec explain everything ™ interactive whiteboard pour ipad... 2)l'expérience le but de l'expérience est de mesurer l'intensité du. Tout d'abord, un ampèremètre mesure le courant dans un circuit et se connecte en série. 05.10.2005 · l'ampèremètre se branche en série dans le circuit. Si l'on branche ce type d'appareil à l'envers, pas de soucis, l'indication sera juste inversée. 03.05.2021 · dans cet article, voyons comment se branche un ampèremètre. 05.05.2008 · un voltmètre se branche sur n'importe quel fil + apres contact et sur une bonne masse. Dans cet article, nous entrerons plus en détail … Corentin garrault articles de cet auteur. La borne 10 a ou ma doit être branchée du côté plus du générateur. Pour l'ampèremètre, il n'en n'est pas de même. Si l'on branche ce type d'appareil à l'envers, pas de soucis, l'indication sera juste inversée.

Ampèremètre comment brancher convenablement un ampèremètre dans un circuit électrique. Corentin garrault articles de cet auteur. 1)introduction pour mesurer l'intensité du courant électrique dans un circuit, il faut utiliser un multimètre en tant qu'ampèremètre,c'est à dire en branchant le multimètre sur les bornes 10a ou ma et sur la borne com. La borne com doit être branchée du côté moins du générateur. Un ampèremètre est toujours branché en série dans le circuit dans lequel on veut mesurer l'intensité. Ampèremètre comment brancher convenablement un ampèremètre dans un circuit électrique... Un ampèremètre est toujours branché en série dans le circuit dans lequel on veut mesurer l'intensité.

2)l'expérience le but de l'expérience est de mesurer l'intensité du.. 05.10.2005 · l'ampèremètre se branche en série dans le circuit. L'intensité mesurée doit être positive, pour cela, le courant devra rentrer par la borne 10a ou la borne ma, on reliera donc ces bornes au pôle + du générateur. 05.02.2017 · cette vidéographie a été créée avec explain everything ™ interactive whiteboard pour ipad. Dans cet article, nous entrerons plus en détail …
Cela peut être divisé en deux parties... 03.05.2021 · dans cet article, voyons comment se branche un ampèremètre. Si l'on branche ce type d'appareil à l'envers, pas de soucis, l'indication sera juste inversée. Ampèremètre comment brancher convenablement un ampèremètre dans un circuit électrique. Il faut toujours brancher l'ampèremètre en série. 05.02.2017 · cette vidéographie a été créée avec explain everything ™ interactive whiteboard pour ipad.. L'intensité mesurée doit être positive, pour cela, le courant devra rentrer par la borne 10a ou la borne ma, on reliera donc ces bornes au pôle + du générateur.

L'intensité mesurée doit être positive, pour cela, le courant devra rentrer par la borne 10a ou la borne ma, on reliera donc ces bornes au pôle + du générateur. Il faut toujours brancher l'ampèremètre en série. Cela peut être divisé en deux parties.. Si l'on branche ce type d'appareil à l'envers, pas de soucis, l'indication sera juste inversée.
Un ampèremètre est toujours branché en série dans le circuit dans lequel on veut mesurer l'intensité... Etape 3 placer les bornes de l'ampèremètre. Il faut toujours brancher l'ampèremètre en série.. On branche l'ampèremètre à côté du moteur en série.

03.05.2021 · dans cet article, voyons comment se branche un ampèremètre. 03.05.2021 · dans cet article, voyons comment se branche un ampèremètre. 2)l'expérience le but de l'expérience est de mesurer l'intensité du. Etape 3 placer les bornes de l'ampèremètre. La borne com doit être branchée du côté moins du générateur. 19.07.2017 · about press copyright contact us creators advertise developers terms privacy policy & safety how youtube works test new features press copyright contact us creators.. 19.07.2017 · about press copyright contact us creators advertise developers terms privacy policy & safety how youtube works test new features press copyright contact us creators.

Si les bornes sont inversées, alors la valeur donnée par l'ampèremètre.. 19.07.2017 · about press copyright contact us creators advertise developers terms privacy policy & safety how youtube works test new features press copyright contact us creators. Tout d'abord, un ampèremètre mesure le courant dans un circuit et se connecte en série. Si les bornes sont inversées, alors la valeur donnée par l'ampèremètre. Un exemple de branchement bornes à utiliser avec le calibre.

Corentin garrault articles de cet auteur.. Un exemple de branchement bornes à utiliser avec le calibre... Il faut toujours brancher l'ampèremètre en série.

Un exemple de branchement bornes à utiliser avec le calibre... Il faut toujours brancher l'ampèremètre en série. 05.02.2017 · cette vidéographie a été créée avec explain everything ™ interactive whiteboard pour ipad. 05.10.2005 · l'ampèremètre se branche en série dans le circuit. Si les bornes sont inversées, alors la valeur donnée par l'ampèremètre. On branche l'ampèremètre à côté du moteur en série. Si l'on branche ce type d'appareil à l'envers, pas de soucis, l'indication sera juste inversée. 1)introduction pour mesurer l'intensité du courant électrique dans un circuit, il faut utiliser un multimètre en tant qu'ampèremètre,c'est à dire en branchant le multimètre sur les bornes 10a ou ma et sur la borne com. 2)l'expérience le but de l'expérience est de mesurer l'intensité du. Ampèremètre comment brancher convenablement un ampèremètre dans un circuit électrique. Un ampèremètre est toujours branché en série dans le circuit dans lequel on veut mesurer l'intensité. Il faut toujours brancher l'ampèremètre en série.

Ampèremètre comment brancher convenablement un ampèremètre dans un circuit électrique.. 05.05.2008 · un voltmètre se branche sur n'importe quel fil + apres contact et sur une bonne masse. 05.10.2005 · l'ampèremètre se branche en série dans le circuit. Corentin garrault articles de cet auteur. 2)l'expérience le but de l'expérience est de mesurer l'intensité du.. Ampèremètre comment brancher convenablement un ampèremètre dans un circuit électrique.

Cela peut être divisé en deux parties. Dans cet article, nous entrerons plus en détail … Cela peut être divisé en deux parties. L'intensité mesurée doit être positive, pour cela, le courant devra rentrer par la borne 10a ou la borne ma, on reliera donc ces bornes au pôle + du générateur.

Un exemple de branchement bornes à utiliser avec le calibre. Si les bornes sont inversées, alors la valeur donnée par l'ampèremètre. 05.02.2017 · cette vidéographie a été créée avec explain everything ™ interactive whiteboard pour ipad. Il faut toujours brancher l'ampèremètre en série. Un exemple de branchement bornes à utiliser avec le calibre.. Un ampèremètre est toujours branché en série dans le circuit dans lequel on veut mesurer l'intensité.

Si les bornes sont inversées, alors la valeur donnée par l'ampèremètre. 03.05.2021 · dans cet article, voyons comment se branche un ampèremètre. Pour l'ampèremètre, il n'en n'est pas de même. Dans cet article, nous entrerons plus en détail … Il faut toujours brancher l'ampèremètre en série.. Si l'on branche ce type d'appareil à l'envers, pas de soucis, l'indication sera juste inversée.

Si les bornes sont inversées, alors la valeur donnée par l'ampèremètre. Dans cet article, nous entrerons plus en détail … Ampèremètre comment brancher convenablement un ampèremètre dans un circuit électrique. 05.02.2017 · cette vidéographie a été créée avec explain everything ™ interactive whiteboard pour ipad. Il faut toujours brancher l'ampèremètre en série. Pour l'ampèremètre, il n'en n'est pas de même. 05.05.2008 · un voltmètre se branche sur n'importe quel fil + apres contact et sur une bonne masse. L'intensité mesurée doit être positive, pour cela, le courant devra rentrer par la borne 10a ou la borne ma, on reliera donc ces bornes au pôle + du générateur.. 1)introduction pour mesurer l'intensité du courant électrique dans un circuit, il faut utiliser un multimètre en tant qu'ampèremètre,c'est à dire en branchant le multimètre sur les bornes 10a ou ma et sur la borne com.

1)introduction pour mesurer l'intensité du courant électrique dans un circuit, il faut utiliser un multimètre en tant qu'ampèremètre,c'est à dire en branchant le multimètre sur les bornes 10a ou ma et sur la borne com... 05.05.2008 · un voltmètre se branche sur n'importe quel fil + apres contact et sur une bonne masse. 05.10.2005 · l'ampèremètre se branche en série dans le circuit. Cela peut être divisé en deux parties. Tout d'abord, un ampèremètre mesure le courant dans un circuit et se connecte en série. L'intensité mesurée doit être positive, pour cela, le courant devra rentrer par la borne 10a ou la borne ma, on reliera donc ces bornes au pôle + du générateur. La borne 10 a ou ma doit être branchée du côté plus du générateur. Cela peut être divisé en deux parties.

Si les bornes sont inversées, alors la valeur donnée par l'ampèremètre... Corentin garrault articles de cet auteur. La borne com doit être branchée du côté moins du générateur. Dans cet article, nous entrerons plus en détail …

Etape 3 placer les bornes de l'ampèremètre.. On branche l'ampèremètre à côté du moteur en série. Il faut toujours brancher l'ampèremètre en série. 05.10.2005 · l'ampèremètre se branche en série dans le circuit. Pour l'ampèremètre, il n'en n'est pas de même. Tout d'abord, un ampèremètre mesure le courant dans un circuit et se connecte en série. Tout d'abord, un ampèremètre mesure le courant dans un circuit et se connecte en série.
Tout d'abord, un ampèremètre mesure le courant dans un circuit et se connecte en série. L'intensité mesurée doit être positive, pour cela, le courant devra rentrer par la borne 10a ou la borne ma, on reliera donc ces bornes au pôle + du générateur. Etape 3 placer les bornes de l'ampèremètre. Corentin garrault articles de cet auteur. Si l'on branche ce type d'appareil à l'envers, pas de soucis, l'indication sera juste inversée. Un exemple de branchement bornes à utiliser avec le calibre. 05.05.2008 · un voltmètre se branche sur n'importe quel fil + apres contact et sur une bonne masse. Si les bornes sont inversées, alors la valeur donnée par l'ampèremètre. Ampèremètre comment brancher convenablement un ampèremètre dans un circuit électrique. Cela peut être divisé en deux parties. 05.02.2017 · cette vidéographie a été créée avec explain everything ™ interactive whiteboard pour ipad... On place les bornes de l'ampèremètre en respectant le sens suivant :

On branche l'ampèremètre à côté du moteur en série.. 05.02.2017 · cette vidéographie a été créée avec explain everything ™ interactive whiteboard pour ipad. La borne 10 a ou ma doit être branchée du côté plus du générateur. 1)introduction pour mesurer l'intensité du courant électrique dans un circuit, il faut utiliser un multimètre en tant qu'ampèremètre,c'est à dire en branchant le multimètre sur les bornes 10a ou ma et sur la borne com. 19.07.2017 · about press copyright contact us creators advertise developers terms privacy policy & safety how youtube works test new features press copyright contact us creators. 03.05.2021 · dans cet article, voyons comment se branche un ampèremètre. On branche l'ampèremètre à côté du moteur en série. Si les bornes sont inversées, alors la valeur donnée par l'ampèremètre. Cela peut être divisé en deux parties. Un exemple de branchement bornes à utiliser avec le calibre. Tout d'abord, un ampèremètre mesure le courant dans un circuit et se connecte en série.

Tout d'abord, un ampèremètre mesure le courant dans un circuit et se connecte en série.. 05.05.2008 · un voltmètre se branche sur n'importe quel fil + apres contact et sur une bonne masse. Corentin garrault articles de cet auteur. Il faut toujours brancher l'ampèremètre en série. Etape 3 placer les bornes de l'ampèremètre. 2)l'expérience le but de l'expérience est de mesurer l'intensité du. Tout d'abord, un ampèremètre mesure le courant dans un circuit et se connecte en série. Dans cet article, nous entrerons plus en détail … Pour l'ampèremètre, il n'en n'est pas de même. Ampèremètre comment brancher convenablement un ampèremètre dans un circuit électrique. 1)introduction pour mesurer l'intensité du courant électrique dans un circuit, il faut utiliser un multimètre en tant qu'ampèremètre,c'est à dire en branchant le multimètre sur les bornes 10a ou ma et sur la borne com. Il faut toujours brancher l'ampèremètre en série.

Il faut toujours brancher l'ampèremètre en série. Dans cet article, nous entrerons plus en détail ….. Cela peut être divisé en deux parties.

2)l'expérience le but de l'expérience est de mesurer l'intensité du. Pour l'ampèremètre, il n'en n'est pas de même. L'intensité mesurée doit être positive, pour cela, le courant devra rentrer par la borne 10a ou la borne ma, on reliera donc ces bornes au pôle + du générateur. Dans cet article, nous entrerons plus en détail … Corentin garrault articles de cet auteur. On place les bornes de l'ampèremètre en respectant le sens suivant : 19.07.2017 · about press copyright contact us creators advertise developers terms privacy policy & safety how youtube works test new features press copyright contact us creators.. Un exemple de branchement bornes à utiliser avec le calibre.
03.05.2021 · dans cet article, voyons comment se branche un ampèremètre. Si l'on branche ce type d'appareil à l'envers, pas de soucis, l'indication sera juste inversée. On place les bornes de l'ampèremètre en respectant le sens suivant : Ampèremètre comment brancher convenablement un ampèremètre dans un circuit électrique. 05.05.2008 · un voltmètre se branche sur n'importe quel fil + apres contact et sur une bonne masse. 19.07.2017 · about press copyright contact us creators advertise developers terms privacy policy & safety how youtube works test new features press copyright contact us creators. Cela peut être divisé en deux parties. 03.05.2021 · dans cet article, voyons comment se branche un ampèremètre. Un exemple de branchement bornes à utiliser avec le calibre.. 05.10.2005 · l'ampèremètre se branche en série dans le circuit.

Un exemple de branchement bornes à utiliser avec le calibre. 05.02.2017 · cette vidéographie a été créée avec explain everything ™ interactive whiteboard pour ipad. On place les bornes de l'ampèremètre en respectant le sens suivant : 19.07.2017 · about press copyright contact us creators advertise developers terms privacy policy & safety how youtube works test new features press copyright contact us creators. Si l'on branche ce type d'appareil à l'envers, pas de soucis, l'indication sera juste inversée.. Cela peut être divisé en deux parties.
La borne com doit être branchée du côté moins du générateur.. Si l'on branche ce type d'appareil à l'envers, pas de soucis, l'indication sera juste inversée. Etape 3 placer les bornes de l'ampèremètre. La borne 10 a ou ma doit être branchée du côté plus du générateur... Tout d'abord, un ampèremètre mesure le courant dans un circuit et se connecte en série.

Tout d'abord, un ampèremètre mesure le courant dans un circuit et se connecte en série. On place les bornes de l'ampèremètre en respectant le sens suivant :. Dans cet article, nous entrerons plus en détail …

Ampèremètre comment brancher convenablement un ampèremètre dans un circuit électrique... . L'intensité mesurée doit être positive, pour cela, le courant devra rentrer par la borne 10a ou la borne ma, on reliera donc ces bornes au pôle + du générateur.

Etape 3 placer les bornes de l'ampèremètre. 03.05.2021 · dans cet article, voyons comment se branche un ampèremètre. Un ampèremètre est toujours branché en série dans le circuit dans lequel on veut mesurer l'intensité. Dans cet article, nous entrerons plus en détail …

La borne com doit être branchée du côté moins du générateur. La borne 10 a ou ma doit être branchée du côté plus du générateur. Il faut toujours brancher l'ampèremètre en série. 05.05.2008 · un voltmètre se branche sur n'importe quel fil + apres contact et sur une bonne masse. 2)l'expérience le but de l'expérience est de mesurer l'intensité du. Dans cet article, nous entrerons plus en détail … Cela peut être divisé en deux parties. 19.07.2017 · about press copyright contact us creators advertise developers terms privacy policy & safety how youtube works test new features press copyright contact us creators. Ampèremètre comment brancher convenablement un ampèremètre dans un circuit électrique.. L'intensité mesurée doit être positive, pour cela, le courant devra rentrer par la borne 10a ou la borne ma, on reliera donc ces bornes au pôle + du générateur.

Il faut toujours brancher l'ampèremètre en série. Un exemple de branchement bornes à utiliser avec le calibre. Si les bornes sont inversées, alors la valeur donnée par l'ampèremètre. Ampèremètre comment brancher convenablement un ampèremètre dans un circuit électrique. Cela peut être divisé en deux parties. 19.07.2017 · about press copyright contact us creators advertise developers terms privacy policy & safety how youtube works test new features press copyright contact us creators.. 05.05.2008 · un voltmètre se branche sur n'importe quel fil + apres contact et sur une bonne masse.